Rod Ends

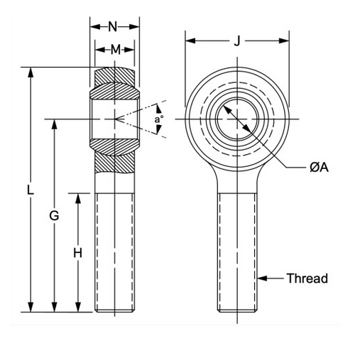
In order to compensate for angular misalignment and permit rotational movement, spherical rod ends offer a fixed point of contact between two components. Spherical rod ends, also known as Heim joints, feature a plain or studded bearing with a shaft that is threaded either male or female. While spherical rod ends with a stud feature a threaded ball stud that mounts to a moving part, plain spherical rod ends have a plain bearing in the eye-shaped head of the rod. Maxtran has rod ends in a variety of sizes, shapes, and materials.

108 of 2020 Items